观看方式:
1、电脑(主流浏览器都可以,360浏览器,QQ浏览器,谷歌浏览器等等,不推荐老式的ie浏览器)
2、手机(微信app、手机浏览器等)推荐电脑大屏学软件更舒适。
主讲:溪风
推荐理由:本套视频由溪风老师主讲,立足SolidWorks零基础的学员,如果你是SolidWorks零基础,或者有一点点基础,但是没有系统学过,那么这套教程就非常适合你,本套教程以SolidWorks2019版本为基础(适合SolidWorks2016-SolidWorks2025版本的学员学习,因为命令都是一样的奥!)讲解SolidWorks草图-零件-装配-工程图整个设计流程的模块讲解,溪风老师用简洁明了的语言风格,分命令分小节给大家讲解SolidWorks绘图软件,更容易学习和掌握。
本教程基于SolidWorks零基础的学员的角度进行录制,由浅入深,结合实战经验,给大家讲解SolidWorks软件的使用和设计流程。
课程包含:软件介绍→草图绘制→三维建模→装配体设计→工程图出图
五大模块进行讲解。
课程的核心:命令的使用+实战经验分享

1.1软件界面的介绍:

1.2 新建、打开、保存、文件探索器的使用教程
本节课的相关快捷键:
新建 Ctrl+N
打开 Ctrl+O
保存 Ctrl+S
文件切换 Ctrl+TAB
1.3鼠标的选择与使用方法
鼠标的选择:

鼠标左键:选择
鼠标中键:前后滚动可以放大缩小模型,中键按下去是旋转模型
鼠标右键:调出更多命令
1.4鼠标笔势的设置及组合键的介绍

组合键:
平移 CTRL+鼠标中键 放大:shift+z 缩小: z
模型旋转 ctrl/shift +方向键
第二章、SolidWorks草图模块的学习
草图是三维建模的基础,不管是什么三维软件,都是从二维草图通过拉伸、旋转、切除等命令生成的三维模型,所以草图是SolidWorks的最重要的基础模块,就好比楼房的地基,大家一定要打牢固,SolidWorks草图用的好,SolidWorks就学会了一大半,在这一模块的学习过程中,溪风老师将会通过草图各个命令的讲解和实战练习题,结合我的工作实践经验,教会大家SolidWorks草图的命令使用和绘制技巧以及草图的绘制原则。
2.1进入草图模块的方法总结
2.2草图模块常用快捷键及界面定制和设置
2.3 直线命令
重要程度☆☆☆☆☆
快捷键
S 调出快捷命令
ESC 退出当前命令
鼠标笔势的合理使用
2.4圆弧命令
重要程度☆☆☆☆☆
补充:中心线、中点线命令
圆弧绘制的三种类型
2.5直线+圆弧命令
重要程度☆☆☆☆☆
巩固直线命令和圆弧命令,拓展直线圆弧命令
2.6圆命令
重要程度☆☆☆☆☆
圆绘制的常见方式,并选择适合的方式绘制
2.7矩形命令
重要程度☆☆☆☆☆
矩形常见绘制方式,选择自己适合的方式进行绘制
2.8槽口命令
重要程度☆☆☆☆☆
槽口的不同绘制方法,选择自己适合的方式进行绘制。
2.9多边形命令
重要程度☆☆
多边形的不同绘制方法,选择自己适合的方式进行绘制。
2.10样条曲线和椭圆命令
重要程度☆
样条曲线和椭圆命令讲解,简单带过,不重要,使用频率非常低。
2.11文字命令
重要程度☆☆
文字命令虽然使用频率不高,但是很实用,大家可以合理的去应用。
适用场合:文字广告牌、企业logo名字下料等
2.12剪切命令
重要程度☆☆☆☆☆
剪切命令有5种方式,其中最常用的就是强劲剪裁。
2.13实体转换引用命令
重要程度☆☆☆
借用实体边线,生成草图线,提高设计的准确性和设计效率
2.14等距实体命令
重要程度☆☆☆☆☆
等距实体实用性非常强,比如我们的法兰盘的绘制,非常的便捷。
2.15镜像实体命令
重要程度☆☆☆☆☆
镜像的原理和技巧
2.16线性阵列和圆周阵列命令
重要程度☆☆☆☆☆
使用频率非常高,学会两种阵列的使用和修改编辑
2.17尺寸标注
重要程度☆☆☆☆☆
几乎所有的图形都需要尺寸,所以这一节非常的重要,希望大家仔细学习。
重点:圆弧圆之间的距离标注
2.18几何关系
重要程度☆☆☆☆☆
常用的SolidWorks草图几何关系有:
水平、竖直、相切、重合、同心、相交、共线等
2.19草图绘制原则和方法
重要程度☆☆☆☆☆
草图绘制的原则是什么?
那就是“完全定义”四个字
疑问1:
SolidWorks草图线条为什么有黑色蓝色红色三种颜色?是什么含义?
解释:
SolidWorks草图绘制时软件会自动识别SolidWorks草图中线条的尺寸和几何关系,不同的草图定义会出现黑色、蓝色、红色三种状态的颜色。
黑色:表示SolidWorks草图线条完全定义,不少尺寸也不缺几何关系,完全定义,是标准的正确的SolidWorks草图。
蓝色:表示SolidWorks草图线条存在缺少未定义的尺寸或者几何关系,会在修改的过程中发生未知的变化,属于缺少定义的状态,一般要避免出现蓝色的线条。
红色:表示SolidWorks草图线条过定义,存在冲突的几何关系或者尺寸,是SolidWorks草图中必须避免出现的错误。
疑问2:
SolidWorks草图必须黑色完全定义吗?
解释:
SolidWorks草图的绘制标准就是草图完全定义,只有这样SolidWorks草图才不会出现未知的变化,虽然未完全定义一样可以生成实体,但是如果你将来需要修改其中一个尺寸,由于没有完全约束,草图很容易变得面目全非(例如:1个长方形会变成一个非平行4边形),所以还是建议大家尤其是SolidWorks新手一定要养成SolidWorks草图绘制完后呈现黑色的完全定义的状态。
SolidWorks草图一般绘制方法:先绘制轮廓,在标注尺寸。(充分利用SolidWorks尺寸驱动草图的特点)
2.20草图实战练习一

2.21草图实战练习二

2.22草图实战练习三

第三章:三维建模模块学习
SolidWorks三维建模必会命令↓
最常用:拉伸、旋转、切除(拉伸切除/旋转切除)、新建基准面
其次:圆角(倒圆角和倒直角)、阵列(线性阵列和圆周阵列)、镜像、抽壳、异形孔向导!
SolidWorks三维建模须知命令↓
扫描、放样、包覆、曲线(螺旋线)
其他内容如焊件、钣金折弯会在后面课程讲解。
学好数理化,走遍天下都不怕,
学好拉伸切除扫描,哪个公司都不怕!
3.1拉伸命令
重要程度:☆☆☆☆☆
拉伸命令三种使用状态
1、 先进入拉伸,在画草图
2、 先画草图,保存草图在拉伸
3、 先画草图,直接转到拉伸
草图要求:封闭的轮廓,没有多余线段。
3.2拉伸切除命令
重要程度:☆☆☆☆☆
该命令与拉伸命令用法完全一致,区别在于拉伸是增加材料,而切除是去除材料。
拉伸命令巩固:先画草图,直接转到拉伸。
3.3旋转命令
重要程度:☆☆☆☆☆
含义:将草图绕一根轴线旋转而成的实体特征。
注意:一般这个轴线是构造线(中心线),实线也可以但是不推荐。
建议:轮廓是闭合的区域,不要自我相交和多余的线段。
适用:轴类和盘类的建模
3.4旋转切除命令
重要程度:☆☆☆☆☆
该命令与旋转命令用法完全一致,区别在于旋转是增加材料,而切除是去除材料。
旋转命令巩固:先画草图,直接转到旋转。
应用实战讲解:拉伸-切除-旋转

3.5扫描命令
重要程度:☆☆
含义:扫描简单来说就是草图轮廓沿路径创建实体的特征命令
要求:草图轮廓要封闭,路径可以封闭可以开放。
路径必须与轮廓平面交叉
应用:弹簧、曲面轮廓等
3.6扫描切除命令
重要程度:☆☆
含义:该命令与扫描命令用法完全一致,区别在于扫描是增加材料,而切除是去除材料。
要求:草图轮廓要封闭,路径可以封闭可以开放。
路径必须与轮廓平面交叉(重合、穿透)
3.7放样和放样切除命令
重要程度:☆☆
含义:在多个轮廓之间进行过渡生成的实体或切除实体就是我们的放样和放样切除命令
要点:放样要求节点的对应,所以这里要注意鼠标点击草图的位置一致性。
3.8边界凸台和边界切割命令
重要程度:☆☆
含义:以双向在轮廓之间添加或者删除材料以生成实体的命令
要点:和放样命令类似,要求节点的对应,所以这里要注意鼠标点击草图的位置一致性。
放样与边界凸台的区别:
放样简单草图和引导线要求不高,边界更加灵活,效果更加令人满意。
3.9异型孔向导命令
重要程度:☆☆☆☆☆
含义:为实体插入孔类特征
技巧:可以直接找到定位点进行插入,推荐先插入,在定义位置。
插入孔类型:
柱形沉头孔
锥形沉头孔
孔
直螺纹孔
锥形螺纹孔
旧制孔
3.10倒圆角和倒直角命令
重要程度:☆☆☆☆
含义:为实体边线倒角
就是倒角去毛刺去棱角,一般的零件工艺化设计。
3.11线性阵列命令
重要程度:☆☆☆☆☆
与草图的线性阵列相同,掌握常规的使用方法。
要点:阵列个数、跳过实例、编辑阵列
3.12圆周阵列命令
重要程度:☆☆☆☆☆
与草图的圆周阵列相同,又有不同,掌握常规的使用方法。
要点:阵列个数、跳过实例、编辑阵列
3.13镜像命令
重要程度:☆☆☆☆☆
三种方式:草图镜像、建模镜像、装配体镜像
镜像特征,镜像面的选择。
3.14筋命令
重要程度:☆☆
筋是从开环或闭环绘制的轮廓所生成的特殊类型拉伸特征。它在轮廓与现有零件之间添加指定方向和厚度的材料。您可使用单一或多个草图生成筋。
3.15拔模命令
重要程度:☆
拔模以指定的角度斜削模型中所选的面。其应用之一可使模具零件更容易脱出模具,常用在塑胶模具产品设计当中。您可以在现有的零件上插入拔模,或者在拉伸特征时进行拔模。
3.16抽壳命令
重要程度:☆☆☆☆
抽壳工具会掏空零件,使您所选择的面敞开,在剩余的面上生成薄壁特征。
要点:等厚度抽壳、多厚度抽壳、如果您没选择模型上的任何面,您可抽壳一实体零件,生成一闭合、掏空的模型。
3.17包覆命令
重要程度:☆☆☆☆
草图包覆至平面或非平面。 包覆分为三种:浮雕、蚀雕、刻划。
要点:这里说的是草图包覆,也就是草图图形大家可以任意定义,可以是公司的logo,可以是公司的名字,可以是代表性图案等等,都可以包覆。
3.18参考几何体
新建基准面
重要程度:☆☆☆☆☆
要点:理解为何要新建基准面,怎么确定唯一的基准面。
3.19三维建模练习一
难度系数:☆☆
题目:参照图构建三维模型,注意其中的对称、同心等几何关系.
参数:A=50, B=40, C=25, D=2, E=2
问题:模型体积为多少?
(标准答案:23229.46)(与标准答案相对误差在正负0.5%以内视为正确)

3.20三维建模练习二
难度系数:☆☆
题目:减速机轴零件图

3.21三维建模练习三
难度系数:☆☆☆☆
题目:参照图构建三维模型,请注意其中未注明的模型厚度均为T。注意观察模型中的对称、同心等几何关系。
参数:A=36, B=30, C=81, D=38, E=136, F=18, T=3
问题:模型体积为多少?
(标准答案:53699.71)(与标准答案相对误差在正负0.5%以内视为正确)

第四章:装配体模块的学习
重要性:☆☆☆☆☆
因为我们的产品几乎不是单独的一个零件,基本都是有多个零件组装起来的产品,所以装配体模块的学习非常的有必要,所以大家一定要通过本章所讲的内容学会本模块。
SolidWorks装配体模块必会命令↓
最常用:新建装配体、插入零部件、装配关系(重合、垂直、平行、相切、同轴)机械配合(凸轮配合、齿轮配合、齿条配合)线性阵列、圆周阵列、装配体特征等命令!
SolidWorks装配体模块拓展命令↓
装配体模块牵扯到我们的SolidWorks自顶向下的设计理念,所以在这里会给大家讲解分析自顶向下的设计原则和建模方法。
4.1新建装配体和插入零部件
快捷键:Ctrl+N
要点:插入零部件,第一个零件是固定的,但也可以改变位置。
4.2装配实战讲解一
通过实例给大家拆解SolidWorks装配常用的几何关系
轴承(常用的配合关系有重合、同轴、平行等基本配合,拓展了对称配合、圆周阵列)
实战技巧:相同零件CTRL+C复制 CTRL+V粘贴

4.3装配实战讲解二
通过实例给大家拆解SolidWorks装配常用的几何关系
千斤顶(常用的配合关系有重合、同轴、平行等基本配合,拓展距离配合和螺旋副配合)

4.4装配实战讲解三
台钳(虎钳)的装配(复习与巩固SolidWorks常用配合命令和相同零件添加技巧。)

4.5齿轮配合
重要程度:☆☆☆☆☆
齿轮的生成和装配。(借助插件生成齿轮)

4.6齿轮与齿条的装配
重要程度:☆☆☆☆☆
重点是齿轮齿条的啮合定位,和齿轮齿条的机械配合的使用。

4.7线性阵列与圆周阵列
重要程度:☆☆☆☆☆
适用场合:重复有规律的零件装配,可以用阵列实现,注意跳过实例的使用。
4.8镜像零部件
重要程度:☆☆☆☆☆
适用场合:产品装配中互为镜像的两个零件,可以用镜像功能实现快速装配或建模相似件。
例如:汽车两个后轮胎,互为镜像零件,并且是完全相同。
例如:左手和右手,互为镜像零件,但是又不是完全一样的。
镜像命令的是实战技巧,实现上面的例子中的现象。
4.9装配体特征
重要程度:☆☆☆
装配体特征常用命令:孔、拉伸切除、皮带/链特征命令
适用场合:先装配,后加工的零件。
4.10自上而下设计
重要程度:☆☆☆
重要命令:插入新零件(强调的是新零件)
区别:插入零部件(插入已经存在的零部件)
自上而下设计理念,没有官方的定义,我们可以理解为,SolidWorks从装配体开始设计拆分零件,也可以理解为上下关联设计。
适用场合:不太复杂的零部件机构的关联设计。
适用人群:SolidWorks熟练掌握的学员,有经验的设计师。
第五章:工程图模块的学习
工程图模块是SolidWorks设计的落地模块,为什么这么说,是因为我们设计的再好,只能存在于SolidWorks软件内,只有将三维模型转化为二维图纸,打印下发车间,才能算设计的完成,所以说只会画图的设计师是不合格的设计师,只有将三维想法转化为二维图纸,才能完成整个的设计的流程,这里说的二维图纸就是SolidWorks工程图,所以SolidWorks工程图模块的学习就非常的重要。
重要程度:☆☆☆☆☆
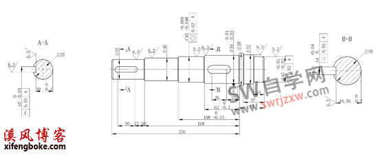
学习重点:标准三视图、剖视图(全剖、半剖)、截面图、轴测图等零件视图的表达生成,长度、角度、位置公差、粗糙度等尺寸的标注。
5.1图纸的必备要素

1、标题栏(写明零件的相关信息)
2、一组视图(主视图、左视图、俯视图、剖视图、向视图)
3、必要的尺寸(长度、角度、位置公差、粗糙度)
4、技术要求(写明零件的加工技术要求)
5.2零件装配体到工程图转换
重要程度:☆☆☆☆☆
零件到工程图转换常用方式
1、 工程图,打开零件
2、 文件-从零件到工程图
3、 定制软件快捷图标
5.3标准视图自动生成
重要程度:☆☆☆☆
零件或装配体标准视图的自动生成操作方法
重点:
1、各个默认视图的生成方式
2、视图对应关系的解除
拓展:视图角度调整
5.4创建全剖与半剖视图
重要程度:☆☆☆☆☆
零件或装配体剖视图的自动生成(要求:画出并标注此图)

5.5创建阶梯剖视图
重要程度:☆☆☆☆☆
适用场合:对于不在一条线上的结构,无法用全剖或者旋转剖完成,就要用到阶梯剖视图。
5.6创建局部剖视图
重要程度:☆☆☆☆☆
适用场合:复杂零件,展示某一个结构常用局部剖视图。

5.7创建局部放大图
重要程度:☆☆☆☆☆
适用场合:放大某一个部位,更清晰的表达零件结构尺寸或者复杂装配的装配细节。
5.8创建轴测图
重要程度:☆☆☆☆☆
适用场合:几乎所有的图纸我们都可以生成一个轴测图,更有利于工人查看零件或产品装配外观状态,方便他们识图和加工。
实战经验:常规轴侧图和自由轴测图
5.9工程图尺寸与尺寸公差标注
重要程度:☆☆☆☆☆
适用场合:所有图纸,必备的就是尺寸,有些加工零件要求严格精度比较高,需要尺寸公差和形位公差的标注。
重点:常规尺寸标注、尺寸公差标注。
包括长度、直径、角度尺寸以及公差的标注。
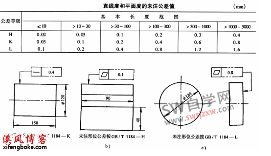
5.10工程图形位公差和粗糙度的标注
重要程度:☆☆☆☆☆


粗糙度常见数值12.5、6.3、3.2、1.6、0.8、


5.11图纸技术要求
重要程度:☆☆☆☆☆
图纸技术要求就是达到图纸标注的尺寸和公差后,还要满足的条件,我们用技术要求文字代替。合格图纸必备技术要求,要求零件的加工要求或者装配的要求。
重点:技术要求做成设计库,方便调用。
5.12模板制作
重要程度:☆☆☆
这里重要程度为什么是三颗星,因为我们在参加工作后公司里的老员工往往已经把模板做好了,我们只要调用即可,不用我们再去重新做模板,所以这里给出三个星。
但是如果你们公司没有模板,就需要有人去做这个模板,我们今天作为模板拓展课,教给大家如何快速做模板,也就是站在巨人的肩膀上修改模板。
重点:
1、零件、装配体、工程图模板的制作修改与配置。
2、材料明细表的制作。
5.13工程图单独打印和批量打印
重要程度:☆☆☆☆☆
出图的最终结果是要打印,所以工程图打印是必会的内容,也非常的简单。这里溪风给大家分别说一下单独打印和批量打印的方法。
快捷键:ctrl+p
拓展:
工程图转PDF、转CAD、转图片
SolidWorks零基础教程完结
回忆设计作图顺序。
新建(零件)→草图→三维建模→工程图→打印→其他部门
新建(装配体)→插入零件→装配→工程图→打印→下发给装配部门。
零件模型(填名称、代号、材质、设计等属性)

👍
😁😁😁😁😁