SolidWorks三维建模练习二,画一根减速机的轴,其实轴在我们产品设计当中是非常的常见的,所以很有练习的必要,尤其是轴上面的键槽,键槽的画法等等,是本节视频的重点。
难度系数:☆☆
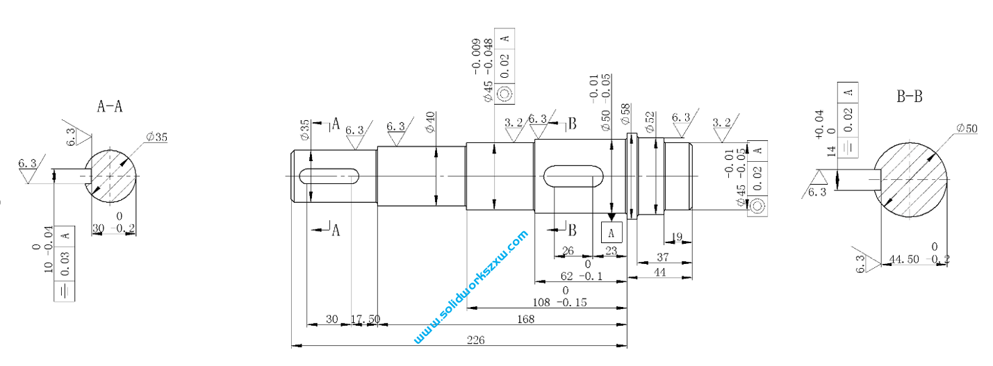
题目:减速机轴零件图

全套SolidWorks零基础视频课程↓
暂无讨论,说说你的看法吧
您需要登录以后才能查看完整视频
您需要在视频最下面评论并刷新后,方可查看完整视频
支付积分后查看完整视频
支付完成后查看完整视频
只允许以下等级用户查看该视频
难度系数:☆☆
题目:减速机轴零件图

全套SolidWorks零基础视频课程↓