十天学会SolidWorks视频教程:第七天装配体工程图教程
主讲:溪风老师
第七天:SolidWorks工程图模块–装配体的工程图出图!
SolidWorks工程图学习的主要要点:
1、工程图视图建立:
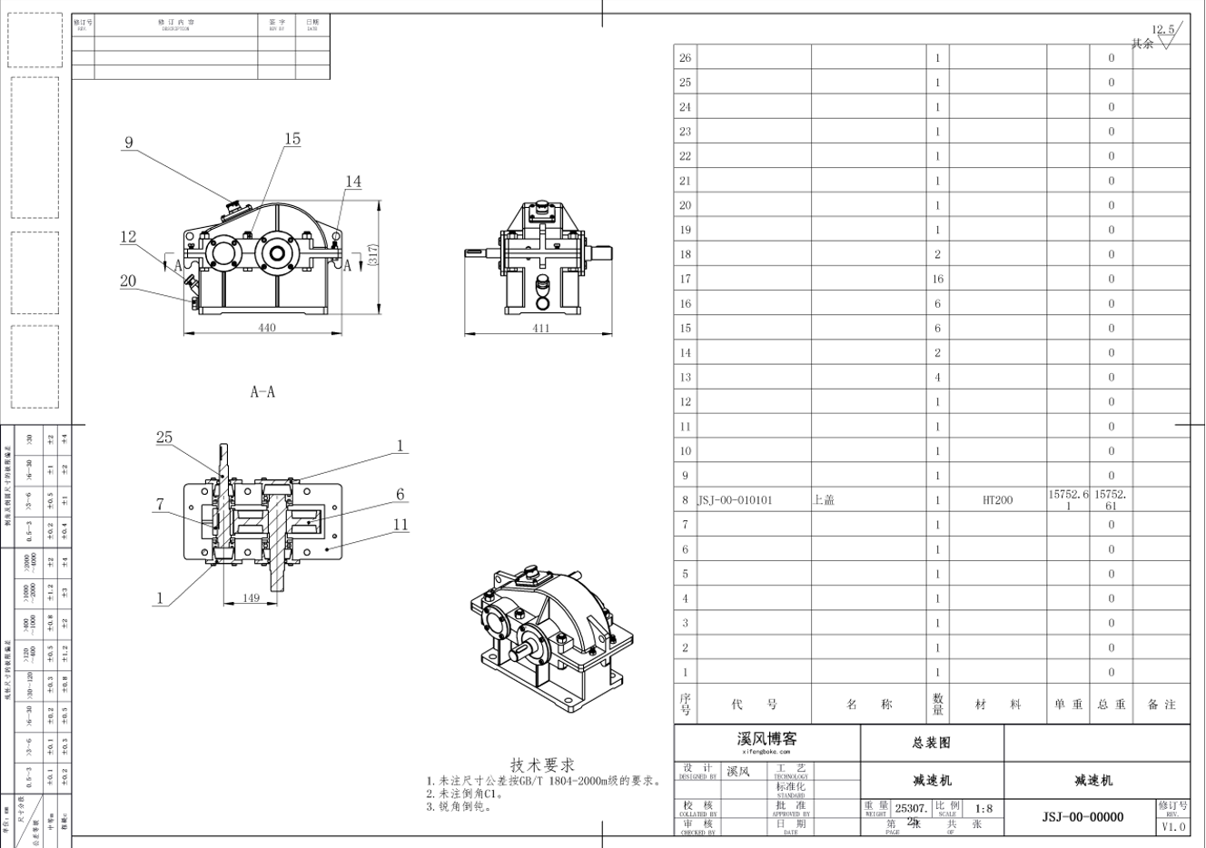
三视图(主视图、左视图、俯视图)、剖视图(全剖、半剖、旋转剖)、局部放大图、断裂视图、断开的剖视图
2、尺寸标注(注解):
智能尺寸标注、公差的标注、基准的标注、注释、孔的标注、螺纹的标注、粗糙度的标注、技术要求的添加
SolidWorks装配体工程图与零件工程图相比较,多了一个材料明细表,所谓材料明细表,就是我们装配体用到的SolidWorks各个零件的明细表,包括零件的图号、名称、材料、数量、备注等内容,方便工人师傅照单提货装配!所以也一定要掌握装配体的工程图出图。
开始装配图工程图出图之前给大家分享一些文件

十天学会SolidWorks视频教程全套:
