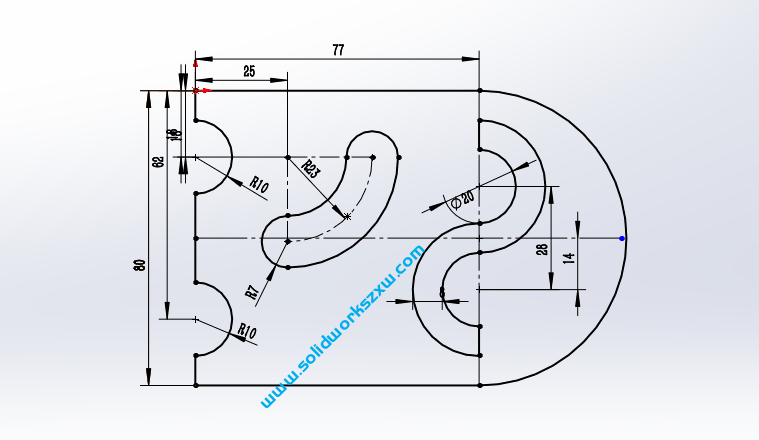
很多习惯了用SolidWorks画图的设计师,就不想用CAD了,因为SolidWorks草图是尺寸驱动的画图,什么意思呢?也就是你随便画SolidWorks草图,当你标注尺寸的时候就会自动的线条伸长,而cad则是你输入多少就画多少,所以很多习惯用SolidWorks的设计师喜欢用SolidWorks草图再导出CAD,感觉也比CAD直接画快。
那么SolidWorks草图导出CAD图纸有什么便捷的技巧呢?
这里分享我最常用的一种,就是画好SolidWorks草图之后,我们直接拉伸10mm,即可。

简单拉伸一下,数值默认就行

然后我们点击平面,导出CAD,输出到DXF/dwg

这里我们选择DWG


打钩确定就行。这样cad就保存出来了,而且还是1:1保存出来的。
还有另外一种方法,就是我们画完草图,保存零件,然后出工程图,然后工程图里面另存dwg格式也行,也非常的方便。
以上就是SolidWorks草图转cad的方法技巧,如果你也习惯了用SolidWorks,那就保持吧,也挺好。
