SolidWorks的学习,除了我们要看SolidWorks视频学习命令的使用,学习老师的使用技巧以外,更重要的是我们要多做练习,只有加强练习,才能融会贯通,如果只是单纯的看视频,很快就看完了,感觉脑子会了,其实鼠标很诚实,手不会画,所以快速学习SolidWorks的方法,一定是教程+练习相互补充相互巩固的。
今天分享的SolidWorks练习题对于新手来说比较的简单,主要是利用SolidWorks弯曲命令,实现SolidWorks吸管模型的弯曲柔性效果。
SolidWorks练习题之吸管效果图

SolidWorks练习题之吸管建模步骤
1、打开SolidWorks软件,哪个版本都可以,新建零件-前视基准面-新建草图
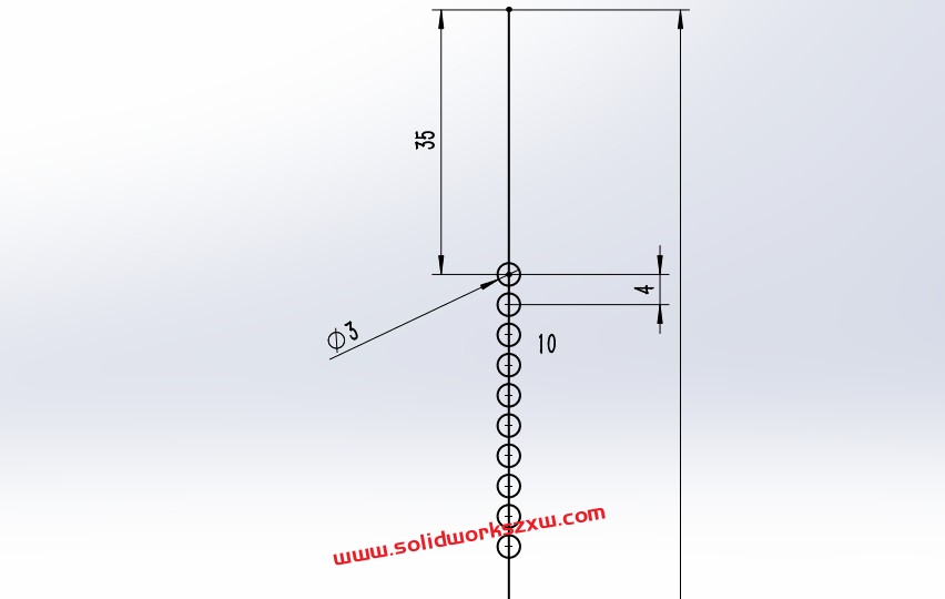
1-1阵列上面的圆,数量10,间距4,效果图

1-2剪切,效果如下:

2、曲面-旋转曲面,如下图所示:

3、曲面-加厚0.5

4、插入-特征-弯曲-各项参数如下表示出来了

5、添加颜色材质等。完成。

以上就是SolidWorks吸管的建模过程,非常的简单,如果你想系统的学习SolidWorks,不妨来看我们SolidWorks自学网学堂优质的视频教程。

总觉得我的弯曲和你的弯曲不一样
刚画了一个,不错
点赞
画完SolidWorks练习题,可以评论上截图哈